UPS电源电路图说明
分享一个UPS电源电路图说明,该电路提供恒定的调节5伏输出和不规范的12伏的电源,该电路可适应其他受监管和无管制使用不同的电压调节器和蓄电池。
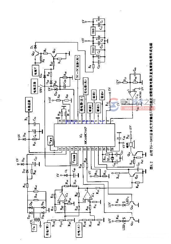
UPS电源电路图
一、说明
该电路是一个商用UPS电源简单的形式,该电路提供恒定的调节5伏输出和不规范的12伏的电源。在电力供电线路发生故障,电池接管,并没有对稳压电源尖峰。
以下是电路图:

二、注释
该电路可适应其他受监管和无管制使用不同的电压调节器和蓄电池,对于一个15伏稳压电源使用两个12伏电池串联和7815稳压器。 有一个很大的灵活性在这条赛道。
TR1的有相匹配的本地电力供应是240伏特,在英国一个主要的二次绕组额定应至少在2安培12伏特,但可以高一些,例如15伏特。
FS1是一个缓慢的打击类型以及短路保护的输出,或者确实是可充电电池单元出现故障。
指示灯一会亮只有当电力供应带来了一个电源故障指示灯将熄灭,输出电压是由电池维持。
ups电源应急处理:断电与故障应对
市电中断时:优先保存电脑、服务器数据,关闭非必要设备(如办公···
ups电源主机与负载维护
主机维护:每季度检查风扇:风扇转速慢或停转需更换(防止主机过···
ups电源蓄电池专项养护
充电管理:避免深度放电:市电中断时,待重要设备备份完成后及时···
ups电源日常检查:及时排查隐患
每日快速检查:观察主机指示灯:正常时 “市电”“逆变” 灯常亮···
ups电源环境养护:奠定稳定运行基础
温湿度控制:温度保持 20-25℃(蓄电池最佳工作温度,超出会缩短···
不同场景下 UPS 电源蓄电池的选型指南
一、办公场景(电脑、打印机)需求:15-30 分钟应急供电,免维护···
UPS 电源蓄电池:设备续航的 “能量卫士”
在数据中心、医疗设备、工业控制系统等关键场景中,UPS 电源蓄电···
UPS电源与EPS电源有哪些区别?
大家都知道UPS电源是供电的,主要是提供电能,而出了UPS电源还有···
UPS电源能给用户带来哪些实在好处?
UPS是英文简称,简而言之就是不间断电源。主要用于通讯,电力,金···
UPS电源使用过程中最基本功能有哪些?
1、电压稳定---一市电电压易受电力输送线路品质的影响,离变电所较···
免维护蓄电池和一般蓄电池二者有什么区别?
1.免维护蓄电池和一般蓄电池的材料不同,首先免维护蓄电池的材料···
蓄电池的维护需要注意哪些内容?
1.要检查无锡汤浅蓄电池状态下指示灯的颜色,因为颜色代表着不同···
EPS电源的用途与运用领域有哪些?
EPS电源也就是紧急电源,通俗点来讲,我们可以把EPS电源比喻成是···
UPS电源与EPS电源有哪些区别?
大家都知道UPS电源是供电的,主要是提供电能,而出了UPS电源还有···
EPS电源需要配置什么样类型的电池 ?
EPS电源现在也是一种常见的储存设备,很多的客户都喜欢用这个电池···
